服务热线
021-51097529
日期:2025-11-06浏览:397次
智能直流高压发生器三种升压模式与测试方法
1.手动升压模式
开机后,进入主菜单(图4-4.1),旋动控制杆使光标指向“手动升压"选项,点击控制杆,进入手动试验模式参数设置界面(图4-4.3),根据具体的试验要求设置各项参数后,即可进入试验升压界面。此时,应先按“高压通"按钮接通高压回路,再旋转控制杆(按动控制杆可切换电压调节细度)。当电压升至试验电压设定值时,计时器开始计时,计时完毕后系统将会自动降压回零,然后弹出试验结果记录界面,并提示保存或打印,做出选择后,试验完毕。如果电压未达到设定的试验电压值时,0.75UDC1mA按钮被按下,则系统会自动降压到当前电压的0.75倍,然后以设定的加压时间倒计时,计时完毕后,系统自动降压为零,然后弹出试验结果界面。
2.自动升压模式
开机后,进入主菜单,旋动控制杆使光标指向“自动升压"选项,点击控制杆,进入自动模式参数设置界面(图4-4.4),根据具体的试验要求设置各项参数后,即可进入升压界面。此时,按下高压通按钮后,系统将开始自动升压,升至试验电压设定值后,稳压并开始计时,计时完毕后系统将会自动降压回零,然后弹出试验结果保存、打印界面,作出选择试验完毕。
3.MOA自动测试模式
开机后,进入主菜单,旋动控制杆使光标指向“MOA升压"选项,点击控制杆,进入自动模式参数设置界面(图4-4.5),根据具体的试验要求设置各项参数后,即可进入升压界面。此时,按下高压通按钮后,系统将开始自动升压,升至试验电流设定值后,稳流并开始计时,计时完毕后系统自动降压至原来电压的75%,稳压并重新开始计时,计时完毕后系统将会自动降压至零,弹出试验结果保存、打印界面(如图4-4.7),作出选择后试验完毕。
4.试验完毕,关闭电源开关。
5.关于放电
对于氧化锌避雷器等小电容量试品,一般通过倍压筒内测压电阻放电即可。而对于短电缆等稍大电容量储能试品,一般要待试品电压自放电至试验电压的20%以下,再通过配套的放电棒进行放电。待试品充分放电后并挂好接地线,才允许进行高压引线的拆除和更换接线工作。而对于长电缆等特大电容量储能试品,应视电缆长度及储能情况,采用专用放电设备进行放电,一般不可用随机配备的小功率放电棒进行放电,因容量较小,容易烧毁。
(五)
试验方法举例
1.空升去除法
一般测量时,当接好线后,先把联接试品的线悬空,升到试验电压后读取空试时的电晕和杂散电流I’,然后接上试品升到试验电压读取总电流I1。
试品泄漏电流:I0 = I1 –I’
2.高压侧精密测量法
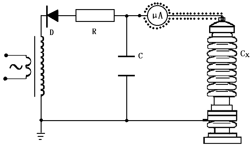
当需要精密测量被试品泄漏电流时,则应在高压侧串红外线高压微安表(见图4-6a)。

图4-6a 微安表接入试品Cχ高压侧接线图
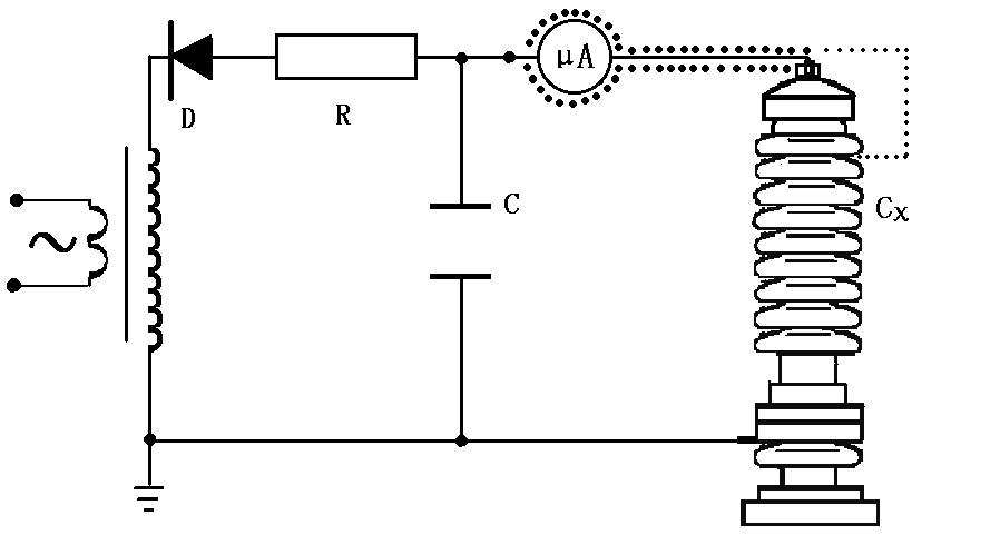
微安表应采用专用屏蔽线与试品联接。高压引线的屏蔽引出应与微安表的屏蔽紧密联接。如果要排除试品表面泄漏电流的影响可在试品高电位端用裸金属软线紧密绕几圈后与高压引线的屏蔽相联接(见图4-6b)。

图4-6b 排除试品Cχ表面影响接线图
3.低压测精密测量法
对氧化锌、磁吹避雷器等试品接地端可分开的情况下,也可采用在试品的底部(地电位侧)串入电流表进行测量的方式(见图4-6c)。当要排除试品表面泄漏电流的影响,可用多股细裸铜线在试品地电位端绕上几圈并与微安表的屏蔽一起接大地(见图4-6d)。

图4-6c 微安表接入试品Cχ底部接线图 图4-6d 排除试品Cχ表面影响接线图
(六)保护动作后的操作
当试验时发生低压过流、低压过压、高压过流、高压过压、放电等现象,都将会导致保护动作。这些保护信息都将在液晶屏上显示出来,此时应按下列步骤操作:
1.关闭电源(断开明显断开点)。
2.查明试品情况并作相应处理后,再次进行试验。
确认非试品原因,关机10秒钟后待机内低压电容器充分放电,打开电源开关,尝试再次试验及检查试验设备。
上一篇:高压硅胶试验电缆特点用途